VDJ-30 220VDC | rơle giám sát | Arteche
| Đặc điểm cấu tạo | |
| Ứng dụng | Rơ le giám sát mạch trip (Trip circuit supervision relay) |
| Tiếp điểm | 2 tiếp điểm chuyển đổi (2 Changeover contacts) |
| Kết nối | Theo thiết kế chuẩn |
| Khối lượng | 163 g |
| Kích thước (mm) | 82,5 x 50,4 x 96,6 (kiểu vỏ lớn – J) |
| Đặc tính điện | |
| Điện áp tiêu chuẩn | 220 VDC |
| Dải điện áp hoạt động | +10% / -25% Un |
| Điện áp hút / nhả | Theo biểu đồ điện áp – nhiệt độ của hãng |
| Công suất tiêu thụ trung bình | < 2.5 W |
| Thời gian hút | < 500 ms |
| Đặc tính tiếp điểm | |
| Vật liệu tiếp điểm | AgNi |
| Điện trở tiếp điểm | ≤ 30 mΩ |
| Dòng chịu liên tục | 8A |
| Dòng chịu ngắn hạn | 15 A trong 4 giây |
| Khả năng đóng mạch | 15 A, 4s, 110 VDC |
| Khả năng cắt mạch | 100.000 lần thao tác |
| Điện áp tối đa khi hở mạch | 250 VDC / 400 VAC |
| Cách điện & Xung điện áp | |
| Cách điện giữa các mạch độc lập | 2 kV, 50Hz, 1 phút |
| Cách điện giữa các tiếp điểm hở | 1 kV, 50Hz, 1 phút |
| Xung điện áp giữa các mạch độc lập | 5 kV, 0.5 J, 1.2/50 µs |
| Xung điện áp giữa các tiếp điểm hở | 2.5 kV, 0.5 J, 1.2/50 µs |
| Điện trở cách điện | > 100 MΩ (tại 500 VDC) |
| Độ bền | |
| Độ bền cơ học | 10 triệu lần thao tác |
| Tuân thủ tiêu chuẩn EMC | |
| Nhiễu cao tần (burst 1 MHz) | IEC 61000-4-18: 2,5 kV chế độ thường / 1 kV chế độ vi sai |
| Xung điện nhanh (EFT) | EN 61000-4-4: 4 kV chế độ thường / 2 kV chế độ vi sai |
| Xung sét (Surge) | EN 61000-4-5: 2 kV chế độ thường / 1 kV chế độ vi sai (1.2/50 µs và 8/20 µs) |
| Trường điện từ bức xạ | EN 61000-4-3: 80–1000 MHz, 10 V/m, điều chế 80% (1 kHz) |
| Bức xạ điện từ từ điện thoại | EN 61000-4-3: 80–1000 MHz & 1400–2700 MHz, 10 V/m |
| Nhiễu dẫn RF | EN 61000-4-6: 0.15–80 MHz, 10 V, AM 80% |
| Phóng điện tĩnh (ESD) | EN 61000-4-2: ±15 kV tiếp xúc / ±15 kV không khí |
| Từ trường tần số thấp | EN 61000-4-8: 100 A/m trong 1 phút / 1000 A/m trong 1 giây |
| Phát xạ điện từ (EMC emissions) | |
| Nhiễu tần số radio | CISPR 11, CISPR 22 |
| Vỏ: 30 MHz – 1 GHz | Nhóm 1, cấp A |
| Nguồn: 0.15 – 0.5 MHz | 79 dB(μV) (quasi peak) / 66 dB (average) |
| 0.5 – 30 MHz | 73 dB(μV) (quasi peak) / 60 dB (average) |
| Kiểm tra nhiệt & môi trường | |
| Nhiệt tối đa trong các bộ phận rơ le | EN 61810-7: Dòng 10 A qua ½ tiếp điểm, nhiệt độ ổn định |
| Độ bền nhiệt | EN 61810-7: 1.000 giờ với Tmax, Vmax và 10 A qua ½ tiếp điểm |
| Thử lạnh | EN 60068-2-1 (Ab): -40°C trong 96 giờ |
| Thử nóng khô | EN 60068-2-2 (Bc): 70°C trong 96 giờ |
| Thay đổi nhiệt độ đột ngột | EN 60068-2-14 (Na): -25°C ↔ +70°C |
| Ẩm nhiệt chu kỳ | EN 60068-2-30 (Db): 55°C, 6 chu kỳ |
| Thông tin khác | |
| Khả năng miễn nhiễm với phóng điện tụ | ESI 48-4 EB1 (Low burden) |
| Mức bảo vệ vỏ (IP) | IP4X |
| Độ cao vận hành tối đa | < 2000 m |
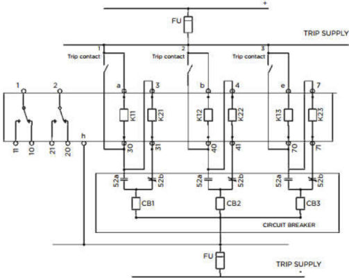
Sơ đồ:

Thông tin rơle cắt nhanh Arteche
Rơle giám sát Arteche là thiết bị lý tưởng được ứng dụng rộng rãi trong các hệ thống điều khiển và bảo vệ điện, bao gồm: nhà máy công nghiệp, máy phát điện, nhà máy điện, và các trạm biến áp 110kV, 220kV, 500kV. Với thiết kế hiện đại và chất lượng vượt trội, sản phẩm này đáp ứng tốt các yêu cầu khắt khe trong vận hành hệ thống.
Chính sách mua hàng:
- Chính sách bảo hành 12 tháng
- Chứng từ: CO/CQ, hóa đơn VAT
- Hỗ trợ kỹ thuật
- Hỗ trợ vận chuyển toàn quốc
Thông tin liên hệ:
Công Ty Cổ Phần Tự Động Việt
- Địa chỉ: 108 Trần Hưng Đạo – P. Tân Sơn Nhì – Q. Tân Phú – TP. Hồ Chí Minh – Việt Nam
- Hotline: 0886 487 886
- Email: quochungautomation@gmail.com
- Youtube: VietAutomation
Giới thiệu về VietAutomation:
là Website, là người trợ lí mua hàng, kết nối người mua hàng :
CÔNG TY CỔ PHẦN TỰ ĐỘNG VIỆT tự hào là đại lý phân phối chính thức các sản phẩm chính hãng của Arteche, Finder, Datalogic tại Việt Nam. Chúng tôi cung cấp đa dạng sản phẩm chất lượng, cam kết giá cả cạnh tranh và dịch vụ khách hàng vượt trội.
Với đội ngũ tư vấn chuyên nghiệp và nhiệt tình, chúng tôi sẵn sàng hỗ trợ bạn chọn lựa sản phẩm phù hợp nhất với nhu cầu. Đặc biệt, dịch vụ giao hàng nhanh chóng trong vòng 1-2 giờ cho khách hàng nội thành Hồ Chí Minh và từ 1-2 ngày đối với các tỉnh thành khác. Đến với CÔNG TY CỔ PHẦN TỰ ĐỘNG VIỆT, bạn sẽ hoàn toàn hài lòng với chất lượng dịch vụ và sản phẩm.
Liên hệ ngay qua Hotline: 0886 487 886 (Zalo, Call) hoặc Email: quochungautomation@gmail.com để được tư vấn và nhận nhiều ưu đãi hấp dẫn!



